E500エンジンオイル漏れ修理 その2 2010.6.4
前回のオイルパンガスケット交換してからおよそ1000kmほど走ったので下にもぐりアンダーカバー外すと・・・
ガーン! また漏っています。前回はオイルまみれで漏れ箇所の特定が困難でしたが一度脱旨しているのでじっくり観察しました。
漏れています。色からATFではなくエンジンオイルでしょう
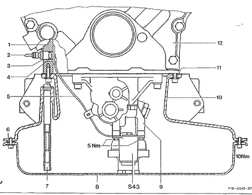
漏れて場所を探すとオイルフィルターハウジング奥でオイルプレッシャーセンサーの上あたりに「出べそ」があり
そいこから伝っているように見えます。資料を調べるとエンジンオイルレベルセンサーの端子ではありませんか。

早速構造を見るとS43がフロート式センダユニットでワイヤーで電気的な変位を「2」の端子へ伝えています。
この2はクランクケース内側から外へ向けて刺さっていました。

サクサクとオイルパン外しました

新油いれたばかりなのできれいです

矢印が上画像の2端子の刺さっている場所です

クランクケース外側、このためにはオイルプレシャーセンサー外しました。

外側はこんなクリップで固定されているだけです。これを抜いて・・・クランクケース外側から押し込むと
(このクリップ 品番N912001 014001)

抜けました!この端子にある2種類のOリングを交換します。そのOリングは外そうとしたら硬化していて粉々になりました。
やはりここからの漏れが大きかったようです。
Oリング2種類 A017 997 5848 1個 A017 997 5748 1個

Fバンパー裏にあるエンジンオイルクーラーへの配管はオイルフィルターハウジング根元から伸びています。
この配管Oリングも交換しました。(品番A012 997 5648 2個)

ATオイルクーラーラインもATFがにじんでいて交換しました。(A019 997 4182)

(A220 997 1652)
これで完治となればいいのですが。結果は後ほど追記報告します